Общество ветеранов атомной энергетики и промышленности Украины направили Владимиру Зеленскому письмо с предупреждением о возможном повторении Чернобыльской катастрофы.
Первым комендантом Чернобыля был Гончаренко Николай Ефимович.
Гончаренко Н.Е. родился 20 декабря 1939 года в г.Днепропетровске. В 1963 году окончил Рязанское Краснознаменное Высшее Воздушно-Десантное училище. В 1978 году - Общевойсковую Академию им. М.В.Фрунзе. В 1968 году он - участник событий в Чехословакии.
В период с 1963 года по 1990 год Гончаренко Н.Е. занимал различные командные должности, от командира взвода до начальника штаба Воздушно-Десантной дивизии и начальника службы войск Главного Командования Юго-Западного направления. С этой должности 4 мая 1986 года был назначен на должность коменданта г. Чернобыль. Будучи комендантом, выполнял задачи по предотвращению мародерства. поддержанию общественного порядка, регистрации лиц, прибывших на ликвидацию последствий аварии, осуществление пропускного режима на ЧАЭС, ведение радиационной и химической разведок, обеспечение безопасности Правительственной комиссии.
За участие в ликвидации аварии на ЧАЭС полковник Гончаренко Н.Е. в 1987году был награжден Правительственной наградой: орденом "Красная Звезда".
Время командировки Гончаренко Н.Е. в чернобыльскую зону составило, как было тогда принято, 30 суток, с 4 мая по 2 июня 1986 года.
Должности коменданта г. Чернобыль до его прибытия не было, что неудивительно, в первые дни "острого" периода радиационной аварии все усилия правительства СССР, министерства обороны и ликвидаторов аварии были направлены на производство других - самых неотложных и опасных работ.
Гончаренко Николай Ефимович, не смотря на свой почтенный возраст, слава Богу, жив, проживает в г. Москве.
Второй комендант Чернобыля - сменившим Гончаренко Н.Е., был Шавель Владимир Николаевич, проживающий на Украине.
Время его командировки в Чернобыльскую зону также составляло 30 суток, с 3 июня по 2 июля 1986 года. Два дня он даже "переработал", так как прибыл в зону 1 июня, чтобы принять дела у Гончаренко Н.Е. второго июня и не задерживать его в Чернобыле.
Третий комендант Чернобыля - Чернавин Александр Павлович, житель Дальнего Востока. Время его командировки (30 суток) составило с 3 июля по 1 августа 1986 года.
Четвёртый комендант - Бергман Михаил Михайлович, с 2 августа по 1 сентября 1986 года
Камни не исполняют желаний. Их исполняем мы сами, четко следуя однажды выбранному пути. - майор Кальтер - Свинцовый закат
11 октября 1991 года в 20:10 по киевскому времени из-за повреждения изоляции кабельного монтажа несанкционированно было подано номинальное напряжение сети на практически остановленный генератор, который был переведен в не проектный «двигательный» режим.
Авария на блоке №2 Чернобыльской АЭС (СССР), связанная с пожаром в машзале
1. Состояние энергоблоков до аварии
11 октября 1991 г. на Чернобыльской АЭС находились в работе энергоблока с общей нагрузкой 2060 МВт. Энергоблок №2 находился в нормальной эксплуатации в процессе подъема мощности после планового ремонта. Тепловая мощность реактора была 1570 МВт. В работе были шесть ГЦН и два ПН. Генератор Г-3 работающего ТГ №З был включен в сеть, а генератор Г-4 был подготовлен к отключению выключателями.
2. Последовательность событий в ходе аварии
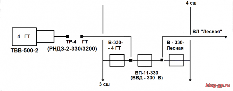
В 19 ч. 46 мин. (19.46) ТГ-4 был отключен для выполнения текущих ремонтных работ в системе пароперегрева - устранения неплотности люка сепаратора-пароперегревателя. Отключение было произведено двумя воздушными выключателями В-330-4 ГТ на ОРУ-330 со стороны 3-й системы шин и ВП-П-330 со стороны высоковольтной линии (ВЛ) «Лесная» (рис.1). Вакуум в конденсаторе турбины поддерживался на номинальном уровне, ТГ перешел в режим "выбега". Персонал ЭЦ приступил к снятию оперативного тока воздушных выключателей ОРУ-330 - обесточиванию цепей управления последними.
В 20.10, когда частота оборотов ТГ упала до 50-200 об/мин, по неизвестным причинам произошло включение воздушного выключателя ВП-П-330 (рис.1), в результате чего Г-4 оказался подключенным к энергосистеме. Так как подача пара на турбину уже не осуществлялась, то генератор после подключения к сети начал работать в моторном режиме, за 15-30 с ТГ разогнался до номинальной частоты вращения 3000 об/мин. и, вследствие большой величины пускового тока, возникшего при включении генератора в моторном режиме, 3000 МДж энергии выделилось в роторе и обмотках генератора, что привело к чрезмерному разогреву и возгоранию шинопроводов.
По ленте осциллографа была установлена следующая последовательность событий: в 20.10 ТГ-4 включился в моторном режиме (величина пускового тока не зафиксирована), через 15 с разогнался до 3000 об/мин. (ток I = 30 кА), затем произошло короткое замыкание (ток I = 150 кА), через 0.03 с выключатель ВП-П-330 отключился, вероятно, под действием защиты генератора или дифзащиты блока, через 0,25 с включился повторно, еще через 1,2 с был снова отключен защитой, а еще через 0,25 с выключатель включился в третий раз, и затем произошел полный сброс нагрузки генератора, т.к. дифференциальной защитой отключилась ВЛ "Лесная".
Подключение генератора к сети сопровождалось значительными вибрациями и ударным нагружением подшипников ротора ТГ, которые менее чем за минуту оказались без смазки и затем разрушились. В результате произошло разрушение уплотнений системы смазки и масляных уплотнений системы водородного охлаждения генератора с утечкой водорода и масла в помещение машинного зала (МЗ).
Под действием электрической искры и (или) трения горячего металла водородно-воздушная смесь, масло и смазка подшипников воспламенились, создав в машзале столб пламени высотой 6-8 м и сильную задымленность. Пламя достигло шинопроводов, вызвало короткое замыкание всех трех фаз и тем самым остановило моторное вращение генератора.
Так как вентиляция не справлялась с теплом и дымом пожара, то конструкции крыши машзала сначала нагрелись до 900-1000°С, а затем обрушились, повредив ПН, но к этому времени реактор был уже остановлен.
Это было сделано еще в 20.10.52, когда действием аварийной защиты (ключом АЗ-5) реактор был переведен в подкритичное состояние, были выбиты защитные устройства ТГ-3, открыты вентили срыва вакуума и произошел автоматический запуск пяти дизель-генераторов. В 20.11 сообщение о пожаре было передано в пожарную часть (ВПЧ), а в 20.13 по команде НСБ было начато аварийное расхолаживание реактора со скоростью . 300С/ч путем открытия БРУ-Б.
В 20.14-20.15 по регламенту был отключен один ПН, подан азот, и персонал приступил к замещению водорода на азот в системе газового охлаждения Г-3 и Г-4. Оперативный персонал собственными силами приступил также к тушению пожара лафетными стволами и стволами от внутренних пожарных кранов. Системы автоматического пожаротушения сработали в проектном режиме.
В 20.16 к месту пожара прибыли 4 отделения ВПЧ. В 20.18 были остановлены маслонасосы системы смазки (МНС) ТГ-4 и начат аварийный слив масла с главного маслобака (ГМБ) ТГ-4. В 20.20 в связи с ростом уровня в БС и отказом в управлении напорной задвижкой был отключен второй ПН, и КМПЦ лишился подпитки ПВ. В это же время было включено орошение маслобаков ТГ-3 и ТГ-4 и включены подъемные насосы пожарной воды МЗ для орошения кровли. Тем не менее, в 20.30 кровля МЗ над ТГ-4 от воздействия огня обрушилась: под огненным факелом сначала провалилась ферма над Г-4, затем упавшая ферма потянула другие.
В 20.32-20.40 персоналом был зафиксирован ряд отказов:
- один из выключателей ТГ-3 (2В-330-ЗГТ) оказался во включенном состоянии, ТГ-3 имел номинальные обороты (3000 об/мин);
- отказ схем управления БРУ-Б;
- отказы в схемах управления напорными задвижками трех ПН, а также двигателей одного ПН и одного АПН.
Отказы БРУ-Б и в системе подачи ПВ при снижающемся уровне во всех БС могли привести к серьезным последствиям.
В 20.48 были остановлены МНС ТГ-3 и начат аварийный слив масла с ГМБ ТГ-3.
В 20.59 по регламенту были отключены по одному ГЦН на сторону, а в 21.00 было зафиксировано снижение уровней в БС ниже уставки аварийной защиты.
В 21.00-21.15 попытки включения разных АПН для подпитки БС не увенчались успехом. Для подачи воды в КМПЦ был включен один ПН. Вынужденное отключение последнего работающего ПН из-за отказа в управлении напорной задвижкой на закрытие в дальнейшем неизбежно должно было затруднить процесс расхолаживания реактора.
В 21.00 при уровнях в БС, близких к номинальному, был отключен ПН. В это же время несанкционированно отключился один из оставшихся в работе четырех ГЦН, и в 21.26 по регламенту был отключен симметричный ГЦН.
В 22.10 после попыток включения ПН и АПН подпитка КМПЦ была организована по временной схеме с использованием, в частности, насосов гидроуплотнений ГЦН. При этом уровни в БС падали и, по-прежнему, имел место отказ в управлении БРУ-Б на закрытие.
В 23.03 был утерян контроль за уровнем в БС после снижения его до нижнего предела измерения (-1200 мм). Контроль за уровнем по правой стороне реактора был восстановлен в 23.15, а по левой стороне - в 23.45.
К месту пожара было направлено около 300 бойцов пожарной охраны, более 60 единиц техники из Киевской, Черниговской, Житомирской областей и Киева. Непосредственно в тушении участвовали около 100 человек. Пожар был локализован в 23.41. При этом распространения огня в реакторное отделение и влияния на работу блоков №1 и 3 не было допущено. Пожар был полностью ликвидирован в 02.20 следующего дня.
3. Последствия аварии
В результате аварии разрушились 9 пролетов (54 м) крыши МЗ, частично выведено из строя турбинное оборудование блока №2. Очаг пожара угрожал оборудованию и кабельным коммуникациям систем, важных для безопасности, а обрушение кровли реально повредило оборудование, важное для безопасности.
Человеческих жертв не было. Вместе с тем имело место увеличение радиоактивного фона в МЗ (с 0.5-0.7 до 2 мР/ч по γ-излучению и с 80-120 β-частиц/(см2мин) до 400 по β-излучению), что объясняется обрушением кровли, загрязненной еще во время аварии 1986 г. на блоке №4.
Суммарный выброс радиоактивных аэрозолей, образовавшихся при горении элементов кровли, в атмосферу составил 0,00036 Ки, что, как и общий выброс во время инцидента, меньше допустимого суточного выброса в атмосферу.
Облучения персонала выше контрольных уровней не было. Ликвидаторы пожара (63 человека из числа пожарных и эксплуатационного персонала) получили дозы от 0.02 до 0.17 бэр, что не превышает двухнедельных доз. Произошло некоторое загрязнение поверхностей технологических помещений без превышения допустимого уровня (2000 β-частиц/(см2мин)). Облучения населения не было.
Несмотря на отсутствие значительных радиационных последствий этой аварии, горение и разрушение кровли МЗ внешне выглядело подобно печальным событиям на блоке №4 26 апреля 1986 г. Поэтому нетрудно представить психологическое состояние пожарных команд, участвовавших в ликвидации пожара, а также состояние тревоги населения и на всех уровнях руководства Украины, приведшее к принятию решения о закрытии Чернобыльской АЭС в ближайшие годы.
4. Причины аварий
Причинами возникновения аварии и неблагоприятного развития событий явились отказы оборудования и неправильные действия персонала. В частности, следствием ряда неправильных и несогласованных действий персонала явилась цепочка событий:
- неотключение в 20.13 Г-3 защитой по остановке ТГ-3 (не введена соответствующая накладка);
- снижение уровня в БС до уставок аварийной защиты в 21.50 и последующий (в 21.10) вывод этой защиты персоналом без записи в журнале;
- повторное снижение уровня в БС в 22.05 ниже уровня аварийной защиты;
- невключение ПН и двух АПН (в 22.08);
- потеря контроля за уровнем в БС после 23.03 в течение 40-45 мин.
На фоне характера и масштабов повреждения блока №2, а также связанного с аварией резонанса, особенно непростительна первичная причина аварии, обусловленная тем, что еще на стадии строительства блока из-за нарушения технологии протягивания через трубу многожильного бронированного кабеля, соединяющего генератор с открытым распределительным устройством (ОРУ), была порвана его оплетка вместе с изоляцией. Через ряд лет это привело к к.з. кабеля и несанкционированному включению масляного выключателя, соединившего обмотку генератора с трансформатором ОРУ, высоковольтная обмотка которого не обесточивается.
И опять же, как и при аварии на блоке №4 в 1986 г., развитие пожара на кровле МЗ блока №2 было обусловлено наличием горючих материалов: пароизоляции (рубероид с битумом), термопластобетона, который по результатам испытаний ВНИИПО отнесен к категории горючих материалов, а также 5 слоев рубероида и слоя битума.
На Украине архивисты рассекретили документы КГБ СССР о чернобыльской катастрофе. В частности, теперь стала доступна стенограмма переговоров операторов станции в самый момент аварии, которая произошла в 1 час 25 минут 26 апреля 1986 года.
Доступен стал и первый доклад директора ЧАЭС Виктора Брюханова, который он составил 26.04.1986 года и пометил грифом секретно. Эта одностраничная справка полна вранья: «обстановка в городе Припять нормальная. Уровень радиации контролируется»...
С болью, но и с гордостью спустя 35 лет читаешь справку оперативного штаба УВД об организации эвакуации жителей Припяти. То, что власти преступно не оповестили людей о серьёзности катастрофы в первый день, 26 апреля, знают все. А вот то, как оперативно и слажено была проведена эвакуация города 27 апреля, известно не всем. Оказывается, население г. Припять – 44 460 человек – было эвакуировано всего за 4 часа, с 14:00 до 18:00!
И с болью читаешь про то, «непосредственно службу по охране порядка» в опустевшем городе остались нести 2 616 человек», среди них были 210 курсантов из школы первоначальной подготовки киевского УВД, 849 – военнослужащих, 444 милиционеров, на ЧАЭС оставлено 5000 рабочих… Они тогда не знали, что идут на верную медленную смерть, а мы теперь знаем, знаем и помним про их подвиг.
ОБ АВАРИИ НА ЧЕРНОБЫЛЬСКОЙ АЭС ИМ. В.И.ЛЕНИНА
26 апреля 1986 года в 1час 25 минут произошёл взрыв на энергоблоке № 4 Чернобыльской АЭС им. В.И.Ленина в Киевской области в период подготовки блока к плановый ремонтный работам. В результате взрыва произошло обрушение крыши и стен верхней части реакторного отделения, а также частично покрытия машзала. В районе взрыва возник пожар, который в 4 часа 50 мин. локализован, а в 6 часов ликвидирован подразделениями пожарной охраны. В период аварии на станции находилось около 200 человек обслуживающего персонала. 9 человек из них получили ожоги различной степени. Один человек /фамилия не установлена/ в 6:00 скончился в медсанчасти. З человека находятся в тяжёлом состоянии. Кроме того, в медсанчасть доставлены на обследование 34 человека, принимавших участие в ликвидации пожара /из них 9 человек - работники пожарной охраны/. На 8:00 не установлено местонахождение старшего оператора реакторного цеха Ходемчука В.И. В З часа уровень радиации в городе составлял 4-14 микрорентген в сек, к 7:00 он снизился до 2-4 мкр/сек. В непосредственной близости от места аварии - до 1000 мкр/сек. В связи с аварийной обстановкой на 4 энергоблоке остановлен энергоблок № 3. Энергоблоки № 1 и № 2 работают в нормальном режиме. Причина аварии и материальный ущерб устанавливаются правительственной комиссией. Обстановка в г. Припять и прилегающих населённых пунктах нормальная. Уровень радиации контролируется. Директор ЧАЭС В.П. Брюханов
75-Й СРОЧНО. РАЗГРУЖАЙТЕ 4-Й БЛОК!
Стенограмма переговоров операторов ЧАЭС НСБ-3, вр. 1 час. 25 мин.
6 стр. М - Юра? M1 - Да. М - У нас ничего не случилось? M1 - У нас ничего... что-то там на 4 реакторе. У нас пока, в конце- концов,
нормально, всё. М - В общем, всё нормально, да? M1 - Так что блокировать? М - Блокируй (1-2). М! - (1-2). М - Да, у нас тут вся комната затряслась. Думали, вся аэраторная отвалится.
НСБ-3, вр. 1 час. 25 мин. Треск заглушает, неразборчиво.
НСБ-3, вр. 1 час. 27 мин. Треск, неразборчиво. Идёт зуммер. М - (кричит) …75-й срочно. Разгружайте 4-й блок (1—2). Алло! Ж - Да, да. Я говорю - срочно на БШ-3, с человеком плохо. Ж - Так, давайте... M1 - (переб., кричит) Я говорю - срочно. На БШ-3 взрыв. Ж - Подождите, куда идти, я не знаю. M1 - На БШ-3.
Ж – Это мне нужно в коридор? М -Где-то в зале. Подходите на 2-й этаж. Ж – Значит я сейчас должна буду идти туда, да? М - На второй этаж прямо подходите. Ж -Хорошо.
НСБ-3, вр. 1 час.28 мин. М - ... БЩЗ, связи с 4-м блоком нету, третий... M1 - Ну, все, все. М - Она сама отвалится. Шум. 7 стр. M - Там же техник отключает? M1 - … (совершенно не слышно) М - Разгружай, ты разгружай, ты разгружай свою. Разгружай все. M1 - ... М - Позвонил Кареву (?) M1 - Да. М -Скорую вызови. …в город. M1 - Связь не работает. М - Да не ... работает связь! M1 - Хорошо, попробую. М - На второй этаж ...
НСБ-3, вр. 1 час 29 мин. М - Ну что, ответил нам 4-й блок или нет? А что ... Шум, треск. ... здесь надо 2 аппарата обслуживать ... (кричит) четвёртый на массу, ... там массу надо. M1 - Не проходит ... масса. М - 4-й блок ... кто? Пусть прикроет машину, турбообороты. Пусть закроет циркулятор.
Начальник смены станции. 0 час. 04 мин. M1 - ... один договаривается, пусть будет так. M1 - Я с ним договорился уже, все. М - Рогожкин. М2 - Акимов. Через 5-10 минут отключаем генератор 7-й. М - Через 5-10 минут 8-й генератор отключаем. Хорошо. Нач. смены станции 0 час. 07 мин. М - Одинцов? M1 - Да, слушаю. М- Саша, дай Орленко. M1 - Нету сейчас Орленко. М - А где он? M1 - На 4-м блоке.
Камни не исполняют желаний. Их исполняем мы сами, четко следуя однажды выбранному пути. - майор Кальтер - Свинцовый закат
Приветствую тебя гость! Что-бы иметь более широкий доступ на сайте и скачивать файлы, советуем вам зарегистрироваться, или войти на сайт как пользователь это займет менее двух минут.Авторизация на сайте